Tungsten Carbide Studs For HPGR
As a trusted supplier and manufacturer of tungsten wear studs, we specialize in delivering a comprehensive range of high-performance solutions tailored for demanding industrial applications. With years of expertise in production and rigorous quality control, we offer a diverse selection of tungsten carbide studs, carbide wear studs, and weld-on tungsten carbide studs – meticulously designed to enhance equipment durability, optimize performance, and minimize costly downtime.
HPGR Studs Used in Grinding Cement Clinker, Limestone, Bauxite, Iron Ore.
In the ever-evolving landscape of mineral processing, High-Pressure Grinding Rolls (HPGR) have emerged as a transformative technology, particularly in grinding crucial materials like cement clinker, limestone, bauxite, and iron ore. These innovative machines utilize a unique combination of high pressure and controlled precision to deliver superior grinding efficiency, ultimately leading to cost savings and enhanced productivity for mining operations. The rise of HPGR studs, designed specifically to withstand the immense forces involved in this process, plays a pivotal role in achieving the desired particle size and improving the overall quality of the final product. As industries strive for sustainability and efficiency, understanding the advantages of HPGR technology becomes essential. This article delves deeper into the significance of HPGR studs and their impact on various sectors, paving the way for a more sustainable future in mineral processing. Join us as we explore the benefits and applications of this groundbreaking technology.
The expansion of HPGR applications beyond traditional industries such as cement and mineral processing is also a key trend. As the benefits of HPGR technology become more widely recognized, other industries are exploring its potential for various applications. For example, the use of HPGRs in the recycling industry for grinding and processing materials such as slag and waste concrete is gaining traction. The versatility and effectiveness of HPGR technology make it a valuable tool for a wide range of applications, paving the way for its continued growth and adoption in the future.




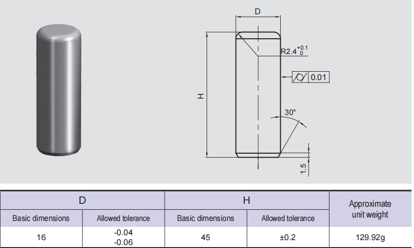
We have rich experience and excellent product quality. If you have demand for the tungsten carbide studs, please feel free to contact us and share your drawing !
Email: [email protected]
TEL/Whatsapp: +8618974195975
Zhuzhou Aite Cemented Carbide Co., Ltd
